Fast Invaders (6845 version)
From Citylan
| dumper | Any |
| date | 24/12/2013 |
| emulator | MAME 0.169 |
| dev | David Haywood |
| name | fi6845 on Arcade Database |
| description | Fast Invaders (6845 version) |
| year | 1979 |
| manufacturer | Fiberglass |
Technical references
CPUs
| QTY | Type | clock | position | function |
|---|---|---|---|---|
| 1x | 8085 | 8-bit Microprocessor - main | ||
| 1x | 6845 | CRT Controller (CRTC) |
ROMs
| QTY | Type | position | status |
|---|
RAMs
| QTY | Type | position |
|---|
PLDs
| QTY | Type | position | status |
|---|
Others
Notes
Files
-
main PCB component side
-
ROMs PCB component side
-
sound PCB component side
-
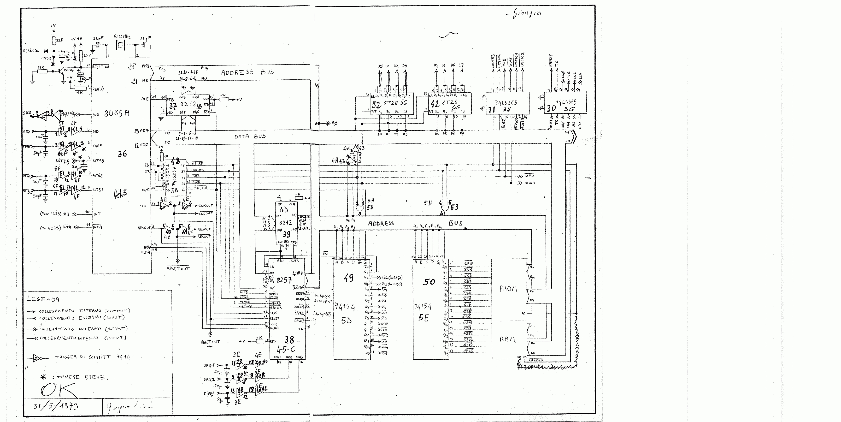
schematics 1
-
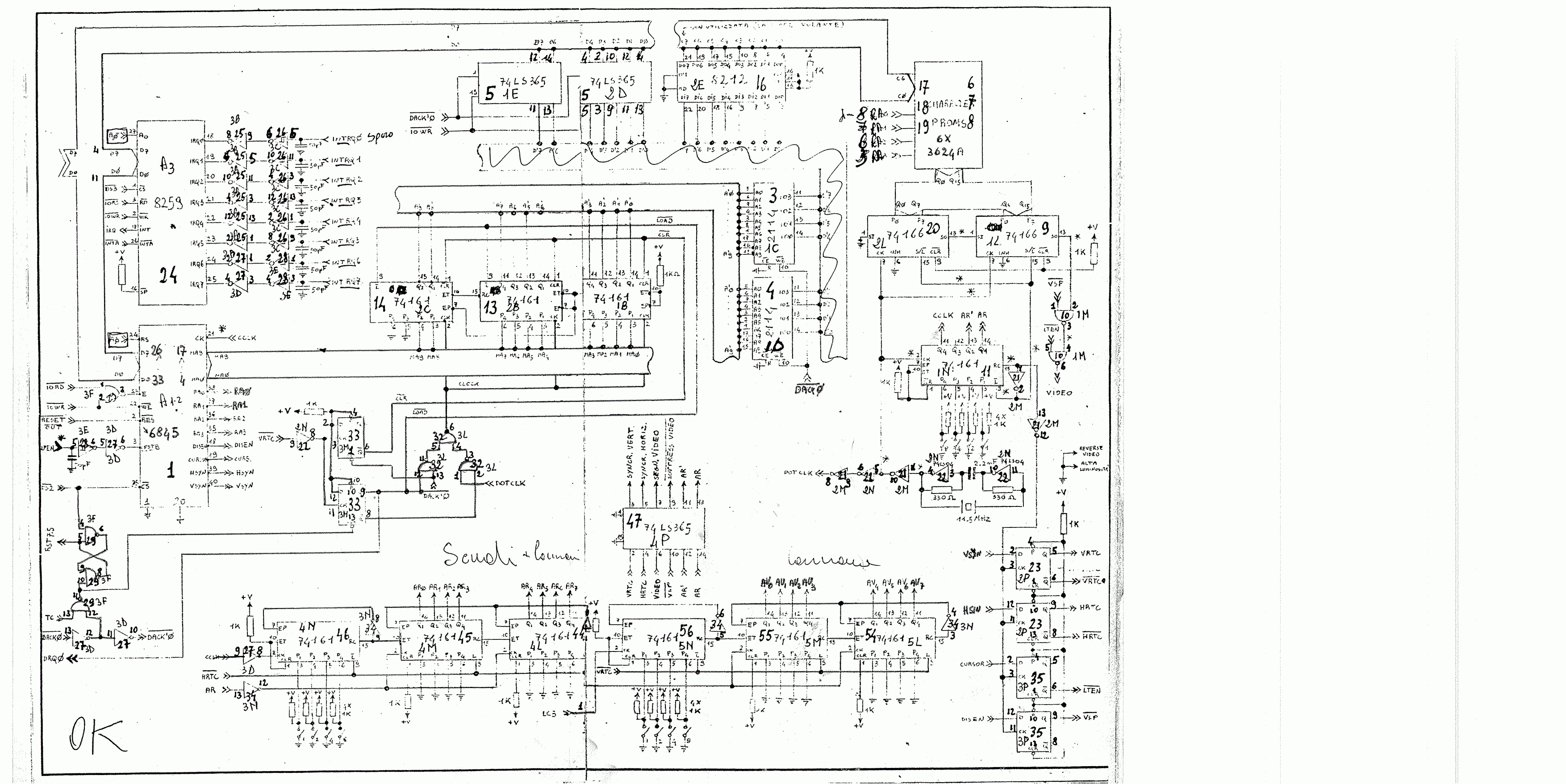
schematics 2
1187




