EMU Infos
| dumper |
Darksoft, Jorge Valero, rtw, konosuke
|
| dump date |
10/08/2021
|
| emulator |
MAME 0.235
|
| dev |
MetalliC
|
Technical references
CPUs
| QTY
|
Type
|
clock
|
position
|
function
|
| 1x |
oscillator |
50MHz |
osc1 |
|
ROMs
| QTY
|
Type
|
position
|
status
|
| 1x |
M27C322 |
epr-24049B.ic11 |
dumped
|
| 4x |
M59PV640 |
opr-4038.ic17s,ic18,ic19s,opr-24041.ic20 |
dumped
|
| 1x |
25LC040 |
ic13s |
dumped
|
RAMs
PLDs
Others
Notes
It's a NAOMI cart.
Cart type: 171-7978B
Cart N°: 840-0117C
Key: 0x2f68b225
Files
-
cabinet
-
case cover
-
case open
-
connectors detail 1
-
connectors detail 2
-
connectors detail 3
-
connectors detail 4
-
cart
-
assembled PCBs
-
main PCB component side
-
PCB component side
-
PCB solder side
-
sub PCBs detail 1
-
sub PCBs detail 2
-
sub PCBs detail 3
-
sub PCBs detail 4
-
sub PCBs detail 5
-
sub PCBs detail 6
-
sub PCBs detail 7
-
sub PCBs detail 8
-
ROM board test
-
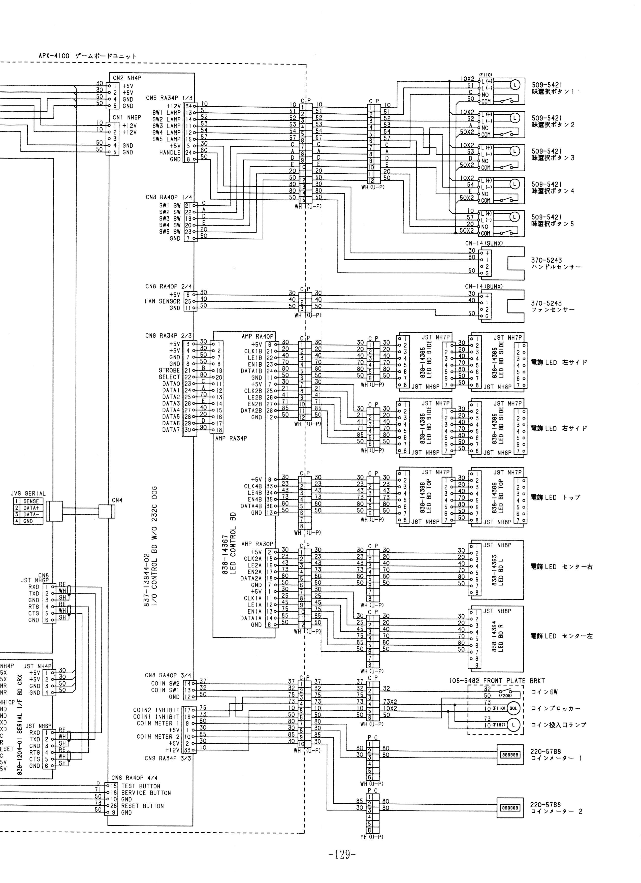
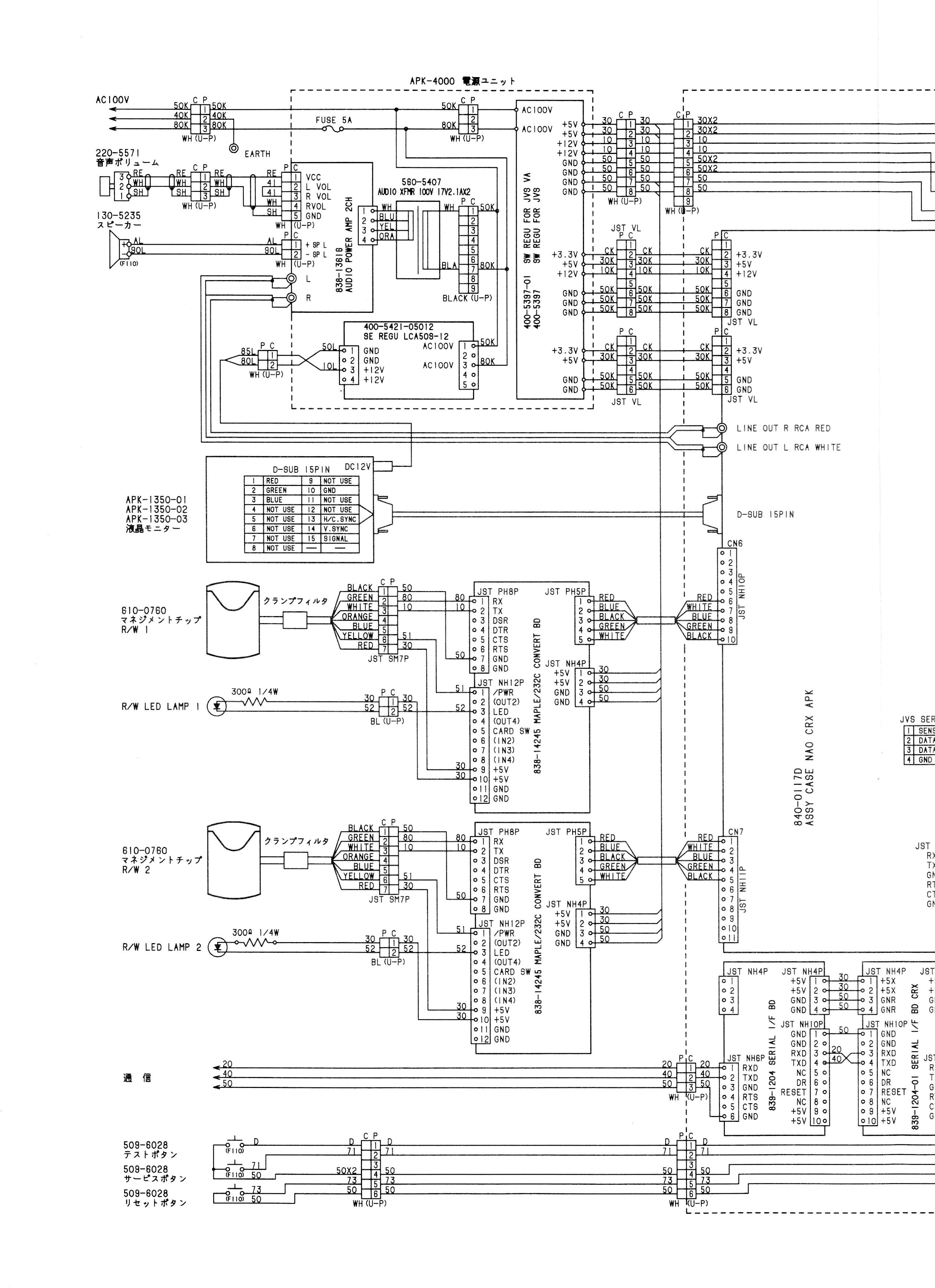
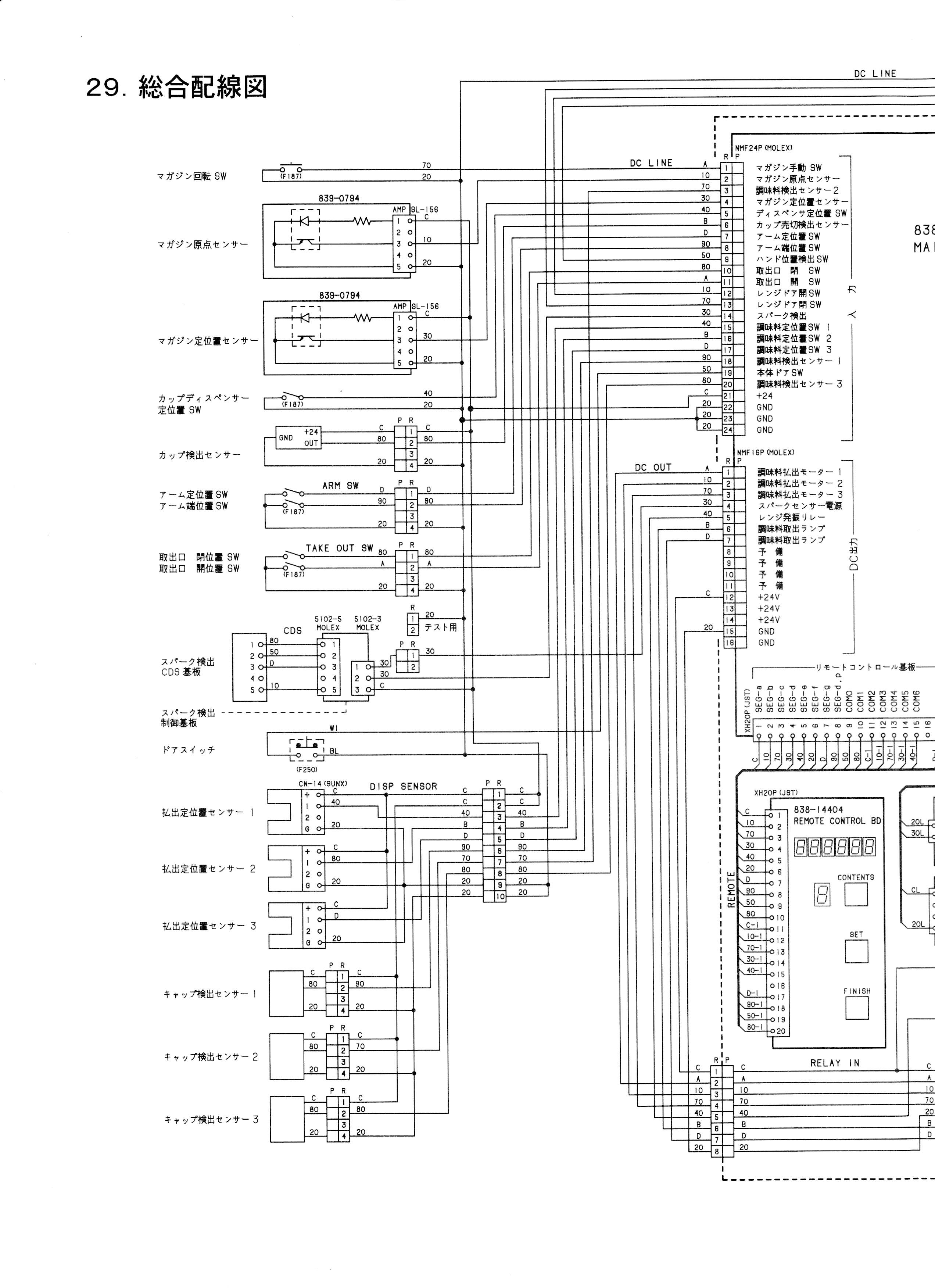
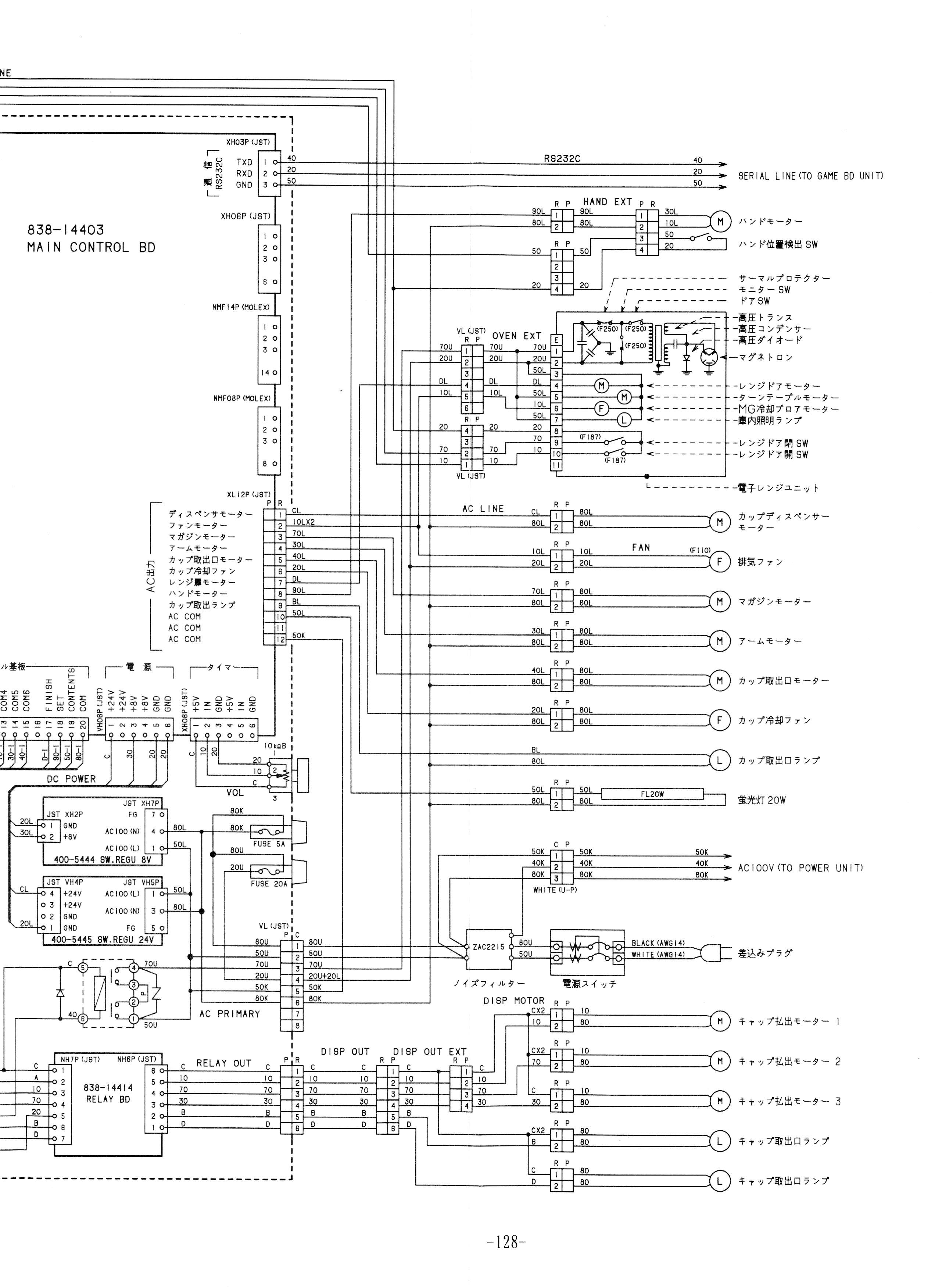
schematics 1
-
schematics 2
-
schematics 3
-
schematics 4
-
instructions
-
readme
1738