Category:DIP28-400mil

From Citylan
Jump to navigationJump to search

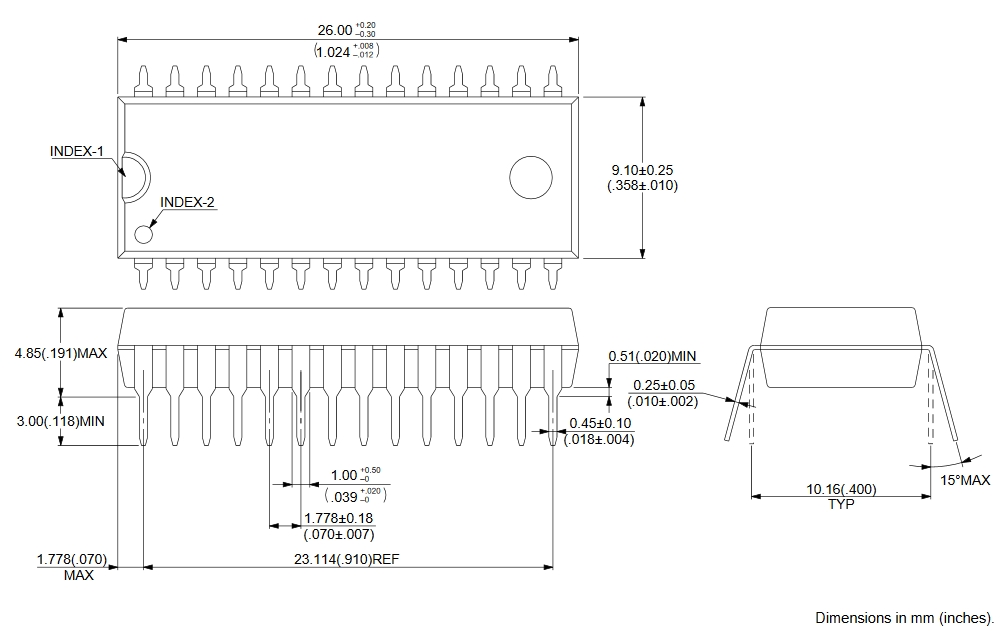
Dual In-Line Package - 28 pins - 0.400 mil
DIP28-400mil

Size

External links

DIP page on wikipedia

Pages in category "DIP28-400mil"

The following 2 pages are in this category, out of 2 total.