Category:QFP176-(44x44)-24x24mm
From Citylan
Jump to navigationJump to search
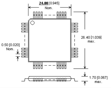
Quad Flat package - 176 pins (44x44) - 24x24 mm
QFP176-(44x44)-24x24mm
Size
External links
This category currently contains no pages or media.
