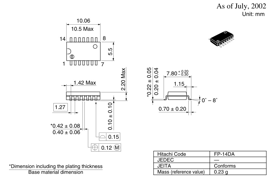
Category:SOIC14-200mil

From Citylan
Jump to navigationJump to search

Small Outline Integrated Circuit - 14 pins - 0.200 mil
SOIC14-200mil

Size

External links

SOIC page on wikipedia

Pages in category "SOIC14-200mil"

This category contains only the following page.