Category:SOIC8-150mil

From Citylan
Jump to navigationJump to search

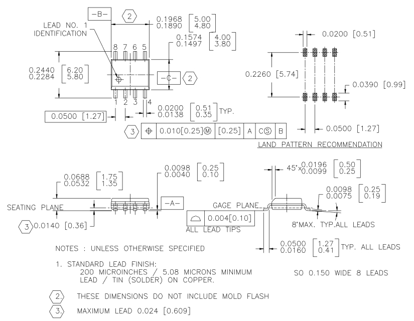
Small Outline Integrated Circuit - 8 pins - 0.150 mil
SOIC8-150mil

Size

External links

SOIC page on wikipedia

Pages in category "SOIC8-150mil"

The following 8 pages are in this category, out of 8 total.