Category:SSOP20-210mil

From Citylan
Jump to navigationJump to search

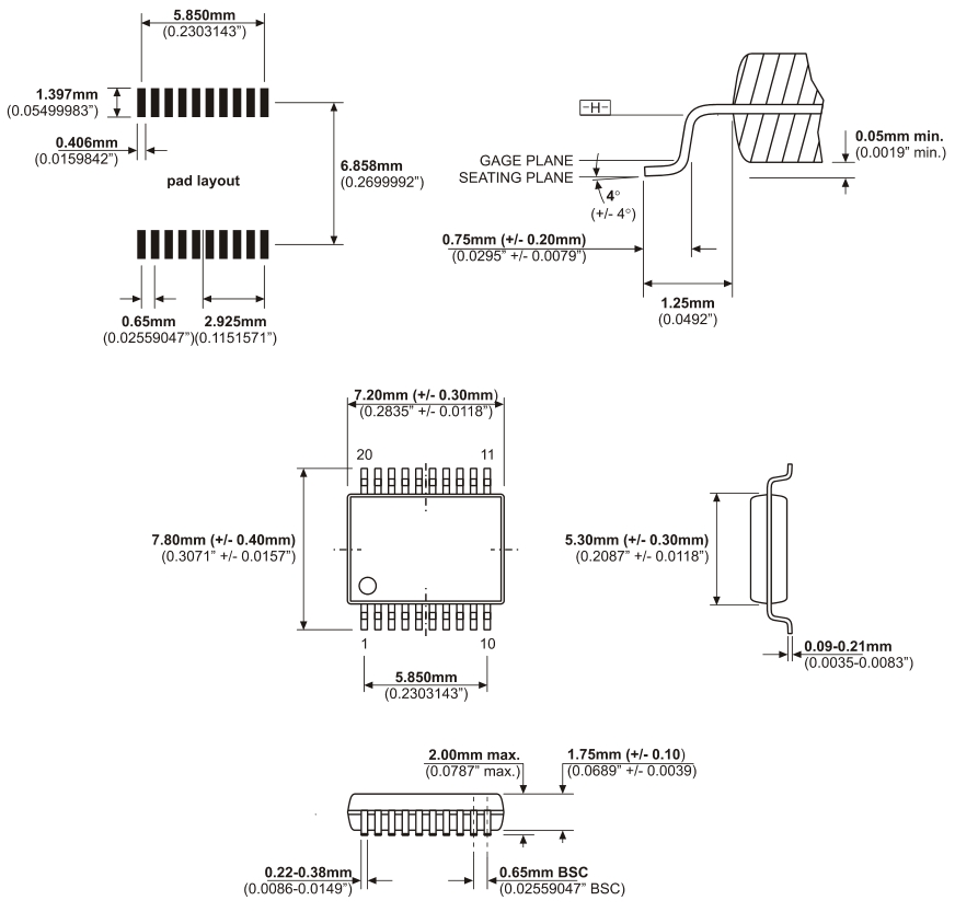
Shrink Small-Outline Package - 20 pins - 0.210 mil
SSOP20-210mil

Size

External links

SSOP page on wikipedia

Pages in category "SSOP20-210mil"

This category contains only the following page.