Varth: Operation Thunderstorm (bootleg, set 1)
From Citylan
Jump to navigationJump to search
| dumper | Caius |
| date | 14/09/2014 |
| emulator | MAME 0.175 - FB Alpha v0.2.97.32 HBMAME 0.166 as varthb (retired in HBMAME 0.174) |
| dev | Robert - Barry Harris |
| name | varthb on FB Neo varthb on Arcade Database |
| description | Varth: Operation Thunderstorm (bootleg, set 1)[MAME] Varth: Operation Thunderstorm (bootleg, 920612 etc)[FB Alpha] |
| year | 1992 |
| manufacturer |
Technical references
CPUs
| QTY | Type | clock | position | function |
|---|
ROMs
| QTY | Type | position | status |
|---|
RAMs
| QTY | Type | position |
|---|
PLDs
| QTY | Type | position | status |
|---|---|---|---|
| 1x | GAL22V10 | varth1 | read protected -> extracted with CmD's PALdumper |
Others
Notes
Files
-
PCB component side
-
PCB component side detail 1
-
PCB component side detail 2
-
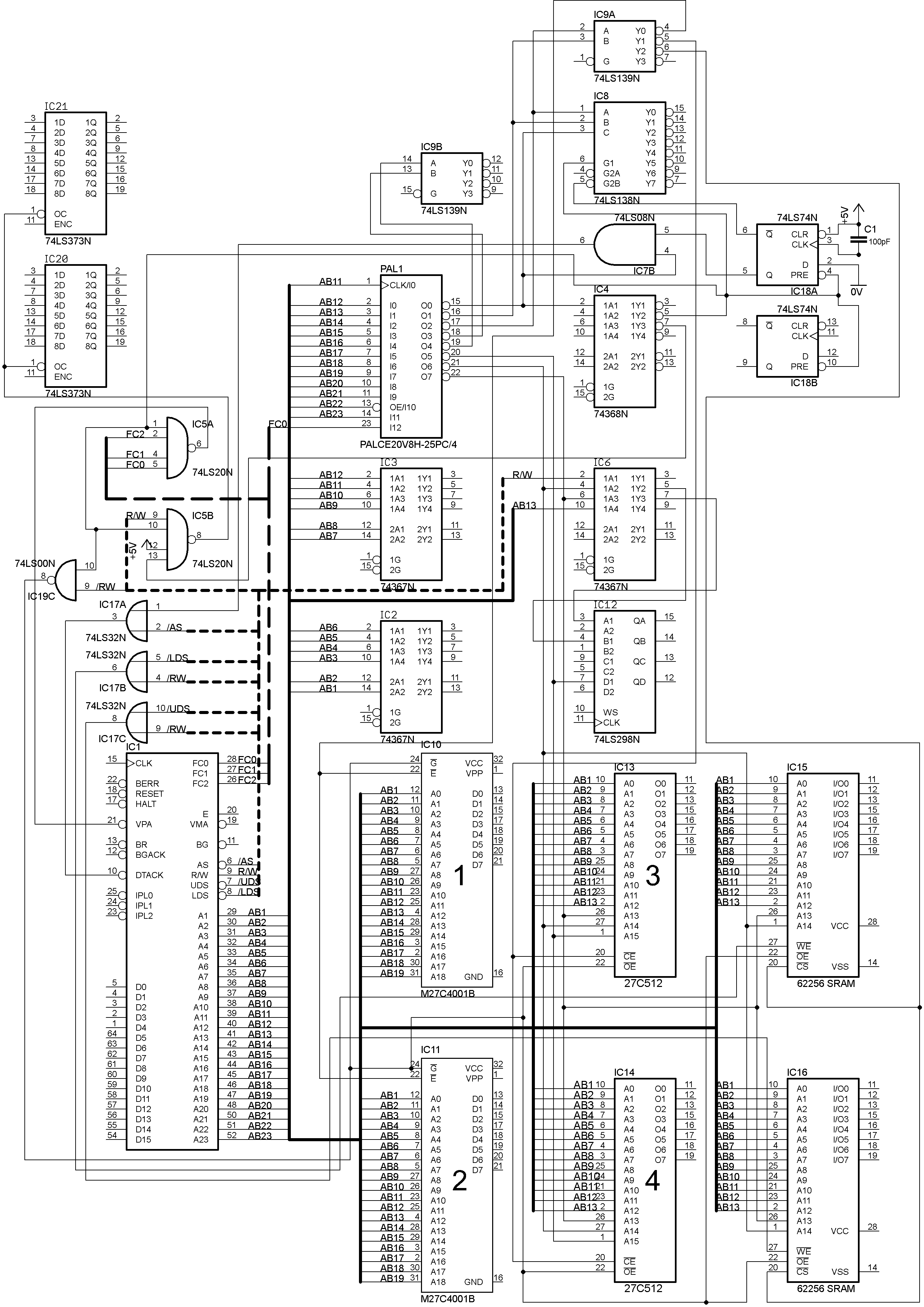
schematics
-
Read me
1259



