Super Shot (set 1)
From Citylan
Jump to navigationJump to search
| dumper | ANY, Team Europe, Fallout, f205v |
| date | 08/07/2010 |
| emulator | MAME 0.143u6 |
| dev | Mariusz Wojcieszek, Osso |
| name | sshot on Arcade Database |
| description | Super Shot (set 1) |
| year | 1979 |
| manufacturer | Model Racing |
Technical references
CPUs
| QTY | Type | clock | position | function |
|---|---|---|---|---|
| 1x | INS8060N | CS233.2b | 8-bit Microprocessor - main | |
| 1x | oscillator | 1.1289 KHz | CS233.1d | |
| 1x | LM3900N | - | CS229.6a | Quad Operational Amplifier - sound |
| 1x | LM324 | - | CS229.6b | Quad Operational Amplifier - sound |
ROMs
| QTY | Type | position | status |
|---|---|---|---|
| 10x | 2708 | CS233 1,2,3,4,5,6,7,8,a,b | dumped |
| 1x | 74S387 | CS229.5a | dumped |
| 1x | 6331-1 | CS229.2b | dumped |
RAMs
| QTY | Type | position |
|---|---|---|
| 4x | MM2114 | CS233.4a,5a,14b,15b |
PLDs
| QTY | Type | position | status |
|---|---|---|---|
| 0x |
Others
1x 22x2 edge connector
2x trimmer (8d)
1x 8 DIP switches bank (11d)
Notes
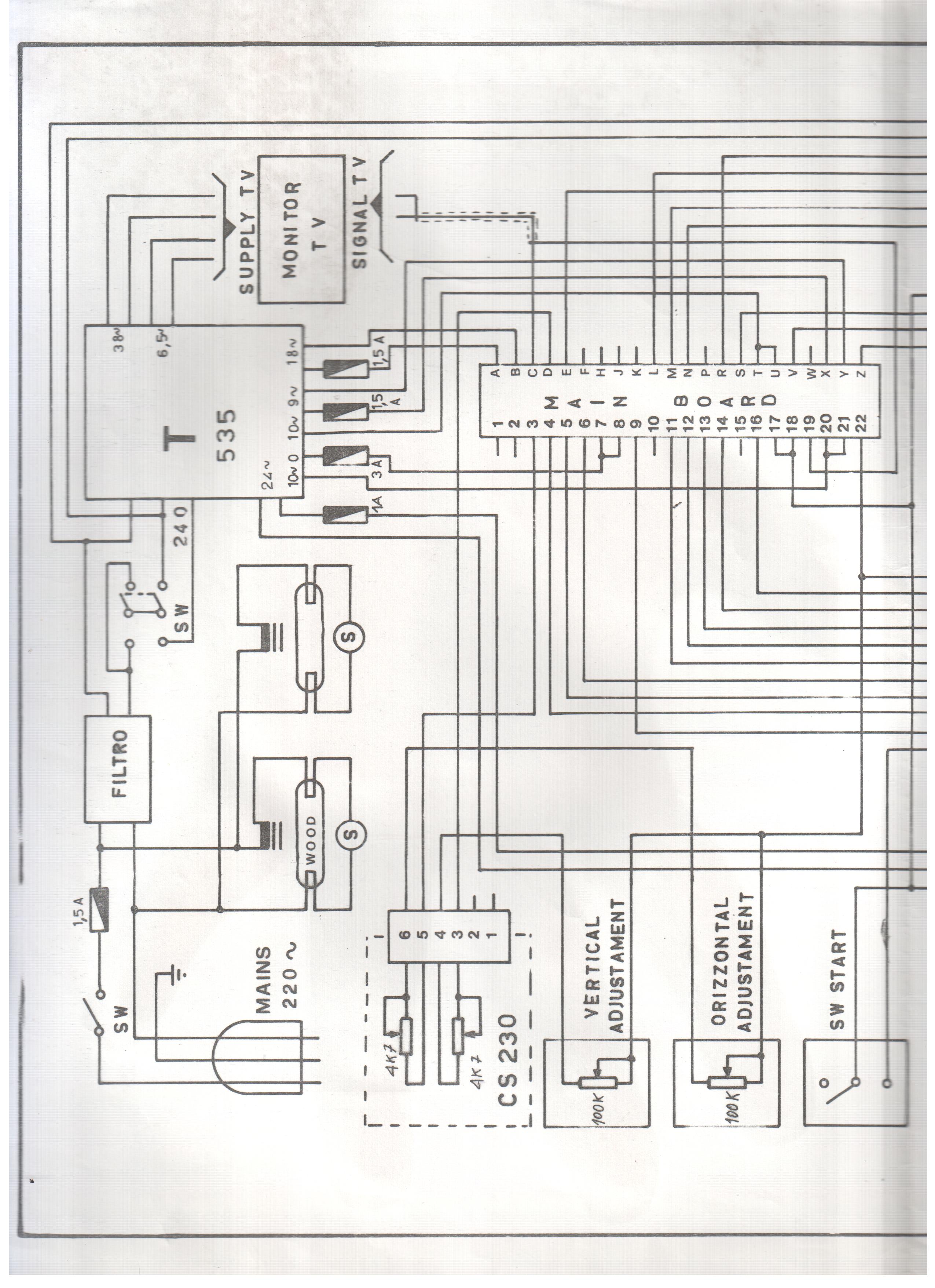
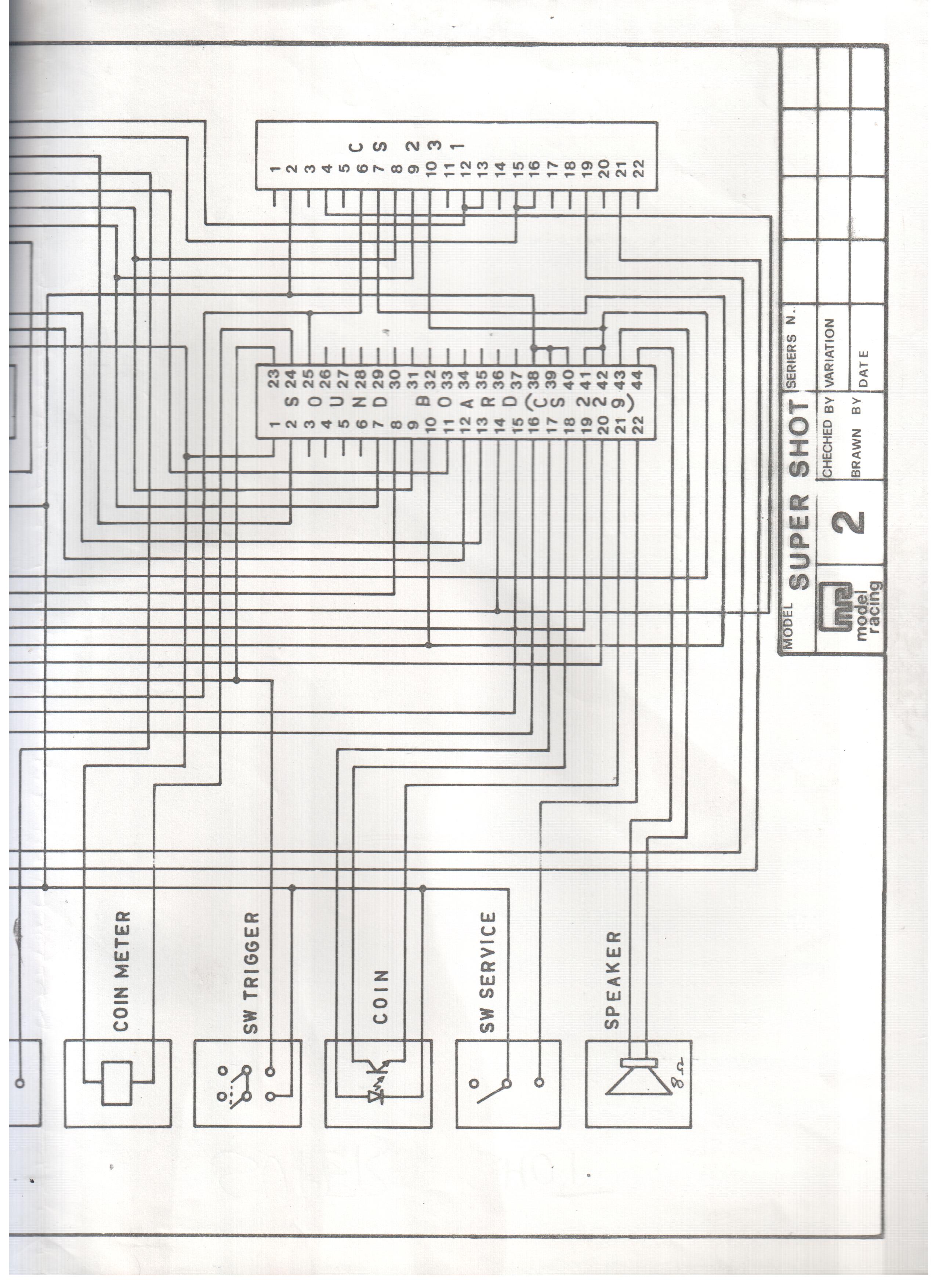
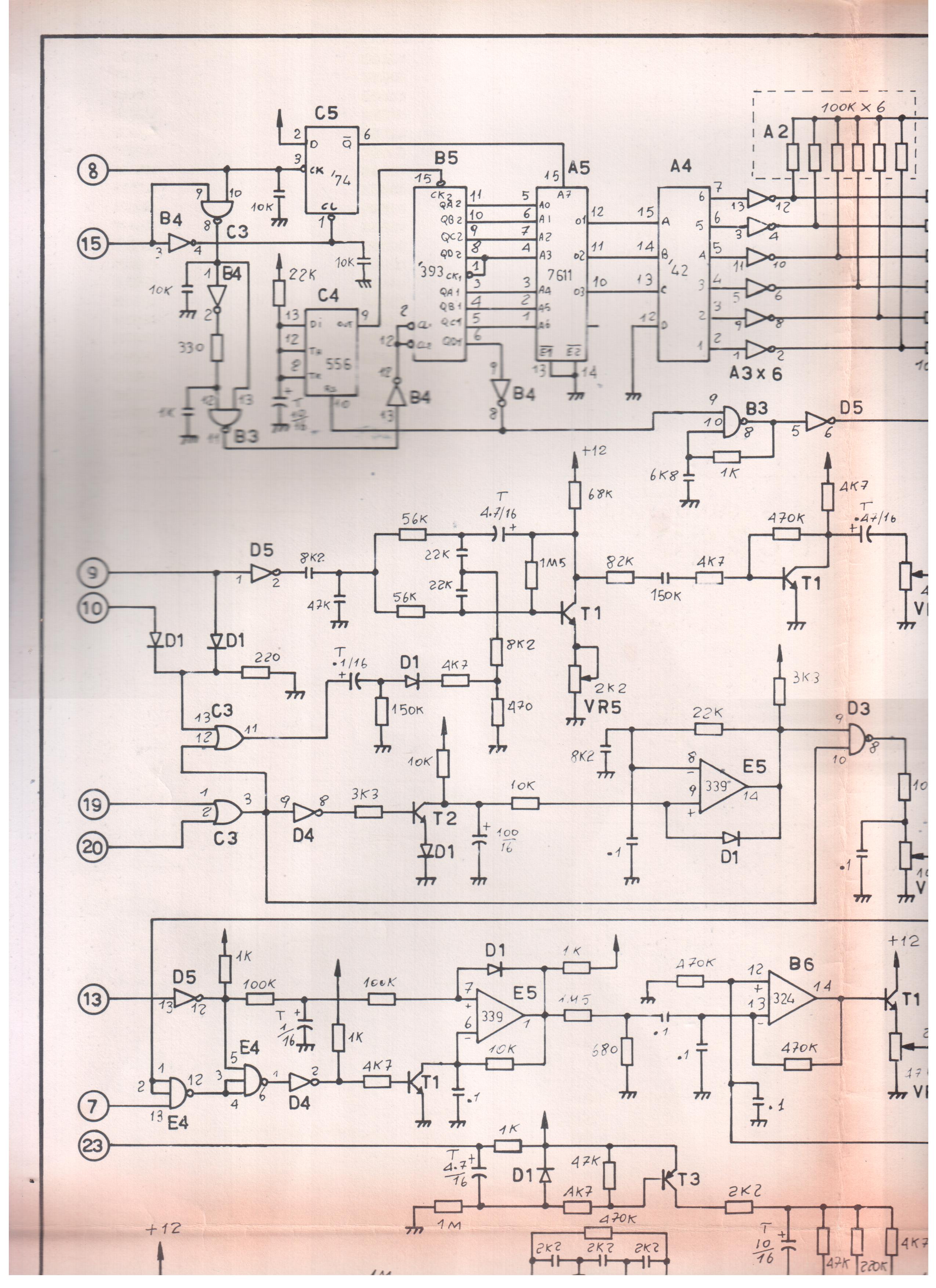
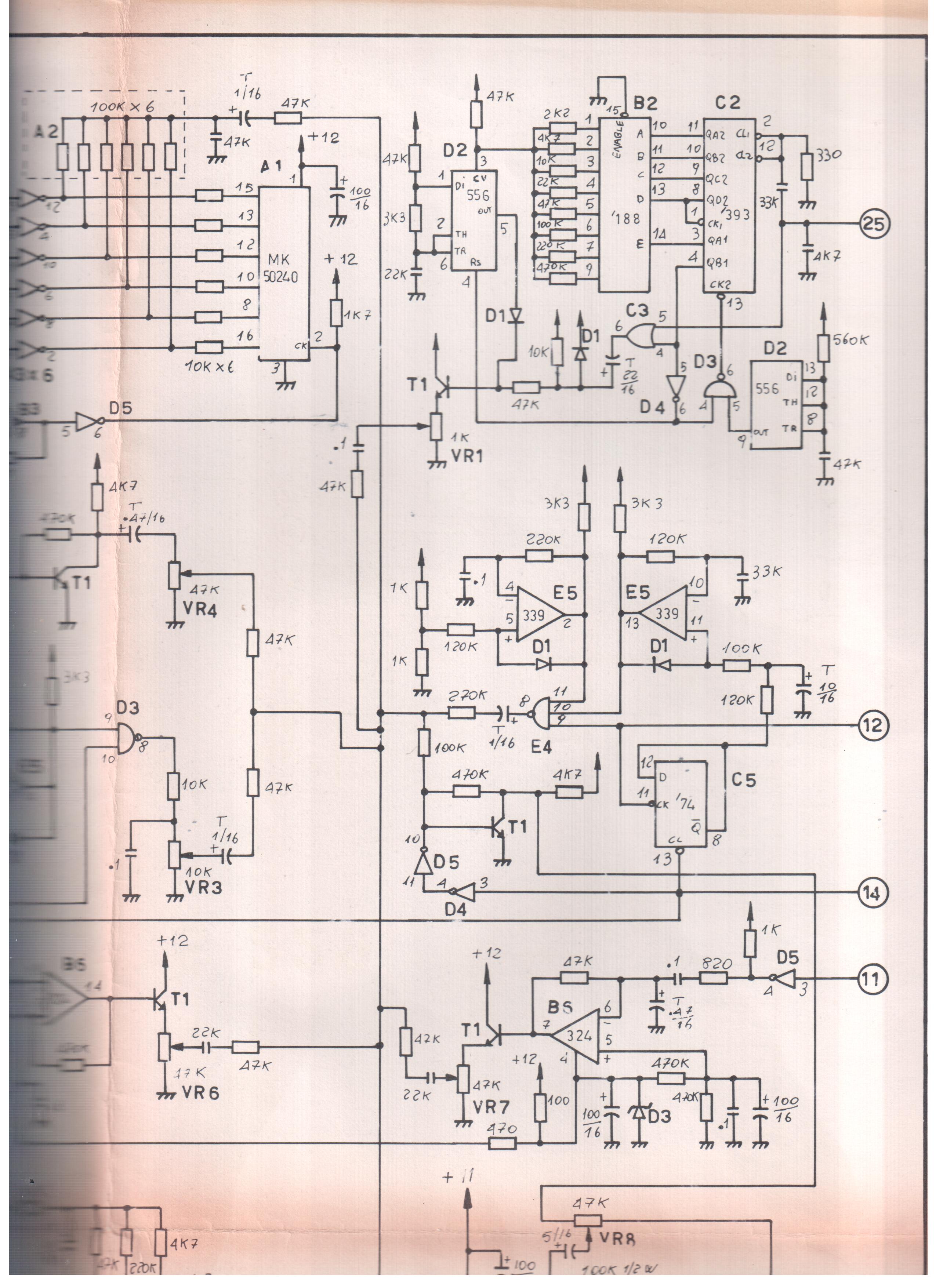
Only schematics are available, game is still most wanted.
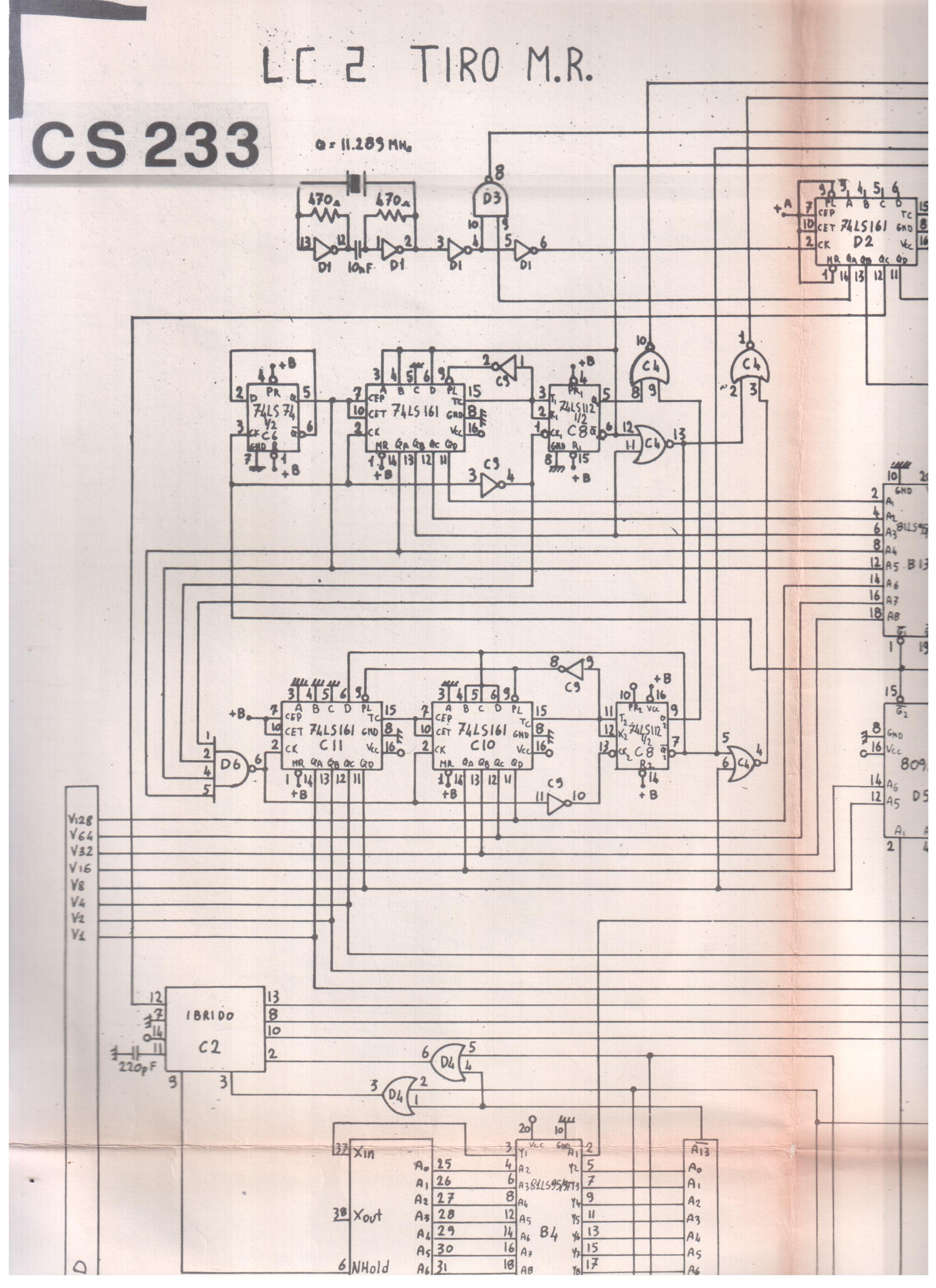
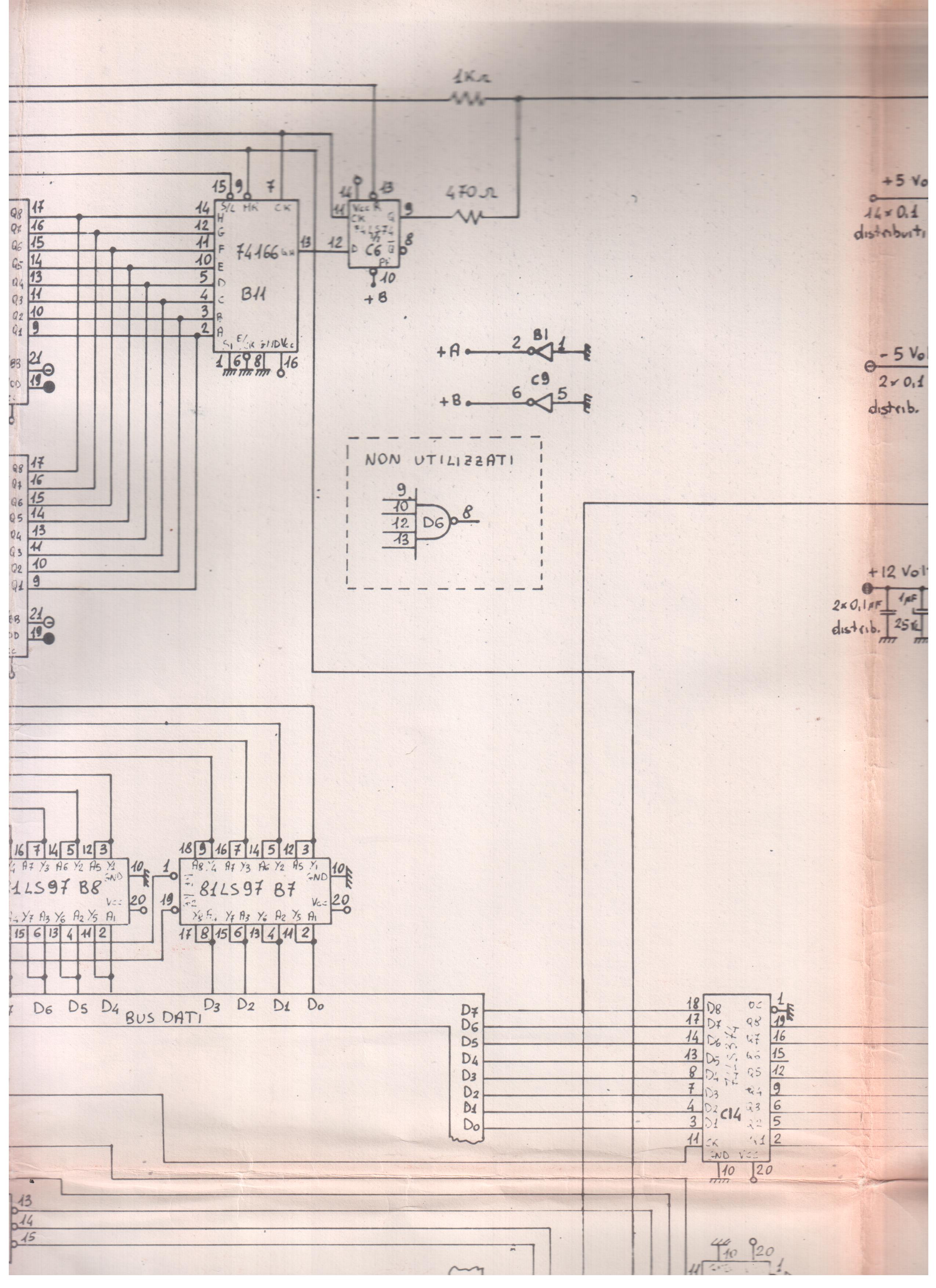
main PCB is marked "CS233"
sound PCB is marked "CS229"
power supply PCB is marked "CS231"
update 20110919: Team Europe - Thanks to Fallout from the german arcadeforum, we got an Super Shot PCB, made by Model Racing in 1979.
update 20161217: full redump and pictures
update 20250124: thanks to IZ8DWF we have a full assembly of the 3 PCBs. PROMs dump and pictures, new manual.
Files
-
CS233 PCB component side
-
CS233 PCB solder side
-
CS231 PCB component side
-
CS231 PCB solder side
-
CS229 PCB component side
-
CS229 PCB solder side
-
Cabinet
-
A
-
B
-
CS229-CS231 1
-
CS229-CS231 2
-
CS229-CS231 3
-
CS229-CS231 4
-
CS233 1
-
CS233 2
-
CS233 3
-
CS233 4
-
CS233 5
-
CS233 6
-
CS233 7
-
CS233 8
923




















